Shanghai Beiqing Overpass
Prestressed CFRP Plate Reinforcement

Select language



















Prestressed CFRP Plate Reinforcement
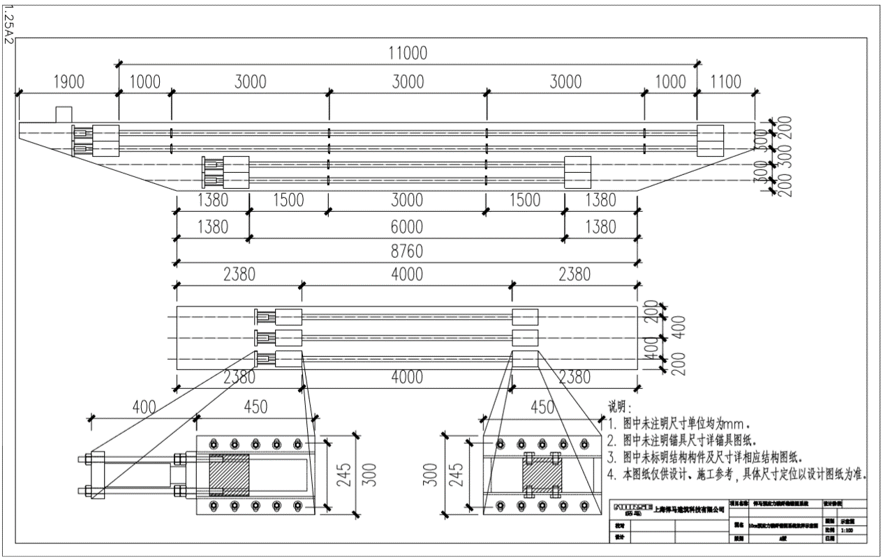
Prestressed CFRP Plate Reinforcement of Cover Beam of Shanghai Beiqing Overpass - Shanghai's first batch of prestressed carbon fiber plate reinforcement design schemes
Prestressed CFRP Reinforcement of Cover Beam of Shanghai Beiqing Overpass - Shanghai's first batch of prestressed carbon fiber reinforcement design schemes









Website Map | Corporate | Contact | Privacy